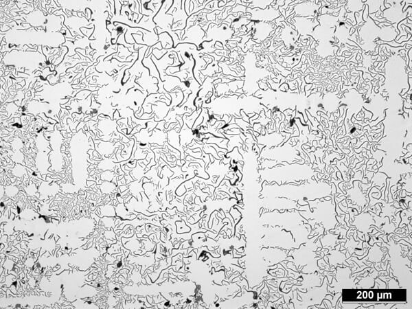
Neben den Stählen zählen die Gusseisen mit Ihrer Ausbildung von Graphit als bedeutende Eisenwerkstoffe. Ihre Legierungen zeichnen sich durch eine gute Gieß- und Spanbarkit aus. Das charakteristische Gefügemerkmal ist die Ausbildung einer Graphit-Phase, welche einen maßgeblichen Einfluss auf die mechanischen Eigenschaften der Gussteile hat. Je nach Ausbildung unterscheidet man die verschiedenen Gusseisen wie z.B. mit lamellarem Graphit (GG), globularem Graphit (GGG) oder Vermiculargraphit (GGV).
Mit Hilfe von Vergleichsbildern werden die Ausbildungsform, Größe und Anordnung des Graphits mikroskopisch bewertet und klassifiziert (DIN EN ISO 945-1). So ergibt sich eine allgemein gültige Kennzeichnung der Gusswerkstoffe, welche in der gesamten Industrie verstanden wird.








