







Tribologische Schäden
Der vorzeitige Funktionsverlust bzw. das Versagen eines Bauteiles ist ein Zeichen dafür, dass die tatsächlichen Anforderungen denjenigen der Auslegung nicht entsprachen.
Nicht selten sind tribologische Beanspruchung im Spiel. Parameter wie Bewegungsart und -ablauf, Belastung, Geschwindigkeit, Beanspruchungsdauer sowie Temperatur sind dabei ausschlaggebend. Aber auch die Verwendung von Werkstoffe mit tribologisch abgestimmte Eigenschaften wie z. B. Adhäsionsneigung, Härte, Wärmebehandlung, Beschichtung, Oberflächengüte, Toleranzen sind von großer Bedeutung.
Die wichtigsten Verschleißmechanismen in Folge der tribologischen Beanspruchung sind Adhäsion, Abrasion, Zerrüttung und tribochemische Reaktionen, welche auch überlagert auftreten können.
Eine grobe Unterteilung der Verschleißarten erfolgt in:
Die sichtbaren Folgen der genannten Verschleißarten sind zum Beispiel eine erhöhte Korrosion der Oberfläche, (Partikel-)Ablösungen von der Oberfläche aber auch Risse im Bauteil die an Bereichen mit erhöhtem Verschleiß entstehen können.
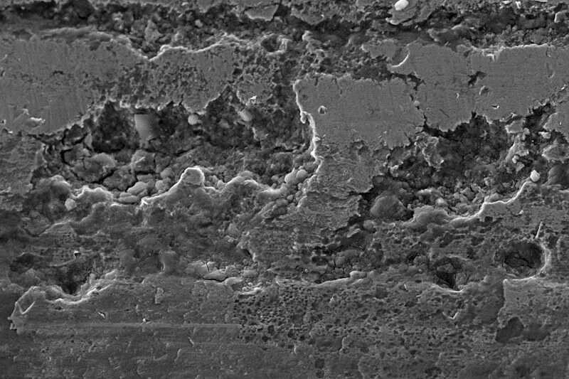
VERSCHLEISSKENNZEICHEN (REM-EDX-ANALYSE)
Typische Untersuchungen sind hier eine REM-EDX-Analyse der Oberflächen und folgend die Dokumentation und Klassifizierung mikroskopischer Verschleißkennzeichen. Eine metallographische Untersuchung dient hier zur Beurteilung der Tiefe des Verschleißes und der Schädigung des Werkstoffs. Durch eine genaue Beschreibung und Klassifizierung der Schäden lässt sich die Ursache bestimmen und geeignete Abhilfemaßnahmen festlegen.
Unser akkreditiertes Labor bietet hier umfangreiche Schadensuntersuchungen an. Dazu zählen Materialprüfungen von Bauteilen,Betriebsstoffen und Rückstandsanalysen. Die Methodik bei tribologischen Schadensfällen folgt typischen Laboruntersuchungen wie Raseterelektronenmikroskopie (REM/EDX-Analyse und Mapping), mikroskopische Untersuchungen, Gefügeuntersuchungen, Härteprüfungen, Partikelanalysen und Eigenspannungsmessungen. Durch eine genaue Beschreibung und Klassifizierung der Schäden lässt sich die Ursache bestimmen und geeignete Abhilfemaßnahmen festlegen.