Un- und niedriglegierte Stähle sind Eisen-Kohlenstoff-Legierungen mit einem Legierungsgehalt unter 5 gew.%. Sie werden unter anderem z.B. als Baustahl im Maschinenbau verwendet.
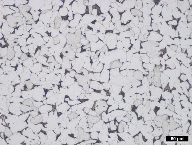
Über eine metallografische Analyse können wir die Perlit- und Ferrit-Anteile bestimmen, die Perlit-Strukturen einordnen und Verunreinigungen wie zum Beispiel Mangan-Sulfide bewerten. Im linken Bild sind beispielhaft zeilenförmige Mangansulfide zu sehen. Des Weiteren können wir den Wärmebehandlungszustand Ihrer Bauteile oder Halbzeuge überprüfen. Durch Glühen, Härten und Anlassen können bei Stählen unterschiedlichste Eigenschaften eingestellt werden. Diese Zustände können wiederum metallografisch bewertet werden um Rückschlüsse auf das jeweilige Verfahren und mögliche Wärmebehandlungsfehler zu erlangen. Das rechte Bild zeigt ein normalisiertes Gefüge eines S235 (früherSt37).








