Es gibt verschiedene Möglichkeiten die zahlreichen Wälzlagerschäden einzuteilen. Eine Variante ist die grobe Unterscheidung zwischen Verschleiß- und Ermüdungsschäden. Die Ursachen von Verschleißschäden reichen dabei vom fehlerhaften Einbau, über falschen Auslegungen bis hin zu Schmiermittelproblemen. Im Schadensfall können wir Ihnen all diese mikrostrukturellen Fehler über die Materialographie sichtbar machen. Da alle mikrostrukturellen Veränderungen unterschiedliche Ursachen besitzen, können Sie mit den aus der Metallographie gewonnenen Informationen, diese in Zukunft verhindern und die Laufdauer Ihrer Lager, Getriebe oder anderer Maschinenteile verlängern!
Zu den konventionellen mikrostrukturellen Veränderungen aufgrund von Ermüdung gehören die Bildung von dark etching regions (DER), white etching bands (WEB) und sogenannte butterflies (linkes Bild). Diese Veränderungen finden alle Bereich der maximalen Schubspannung (Hertz’sche Pressung) statt.
DERs und WEBs werden nach ihrer Erscheinung nach einer Ätzung benannt und sind im Vergleich zum umgebenden Werkstoff deutlich weicher. Butterflies bilden sich an Verunreinigungen im Stahl, wobei die „Flügel“ durch eine white etching area (WEA ) dargestellt werden und sind deutlich härter als die Matrix.
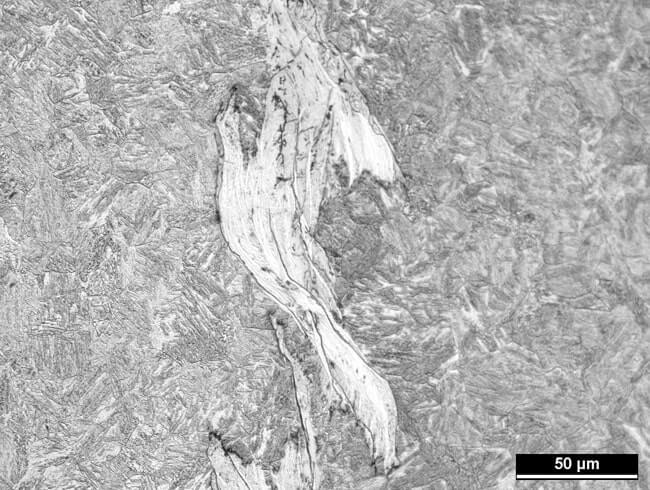
Eine andere, nicht konventionelle Änderung der Mikrostruktur durch Ermüdung, sind die white etching cracks (WEC) (rechtes Bild), manchmal auch white structured flakings (WSF) genannt. WECs sind eine häufige Ursache von frühzeitigem Ausfall von Lagern in Windkraftturbinen. WECs sind sehr dünne Risse die radial oder tangential in den Wälzlagerringen wachsen und an denen sich white etching areas (WEA) bilden (Bild 04). Die Ursachen der Bildung von WEC sind noch nicht ausreichend geklärt, am wahrscheinlichsten ist hier die Wasserstoffhypothese. Laut dieser Theorie wird durch das Eindringen von Wasserstoff in das Material die Fließgrenze lokal herabgesetzt und es kommt zu den genannten Gefügeveränderungen. Die Diffusion von atomarem Wasserstoff wird vermutlich begünstigt durch eine Kombination aus Werkstofffehlern, hohen Belastungen und chemischen Schmiermittelproblemen. Die WEAs an den WECs lassen sich als mit Kohlenstoff übersättigte, nanokristalline ferritische Strukturen charakterisieren, welche eine höhere Härte aufweisen als die umgebende Matrix.








