Problemstellung:
Zur Charakterisierung von Membranfilterplatten für das Recycling wurde der Füllstoffgehalt und die Materialzusammensetzung untersucht.
Untersuchungsstrategie:
Eine stufenweise Analyse der Partikelstruktur und -zusammensetzung wurde durchgeführt.
Ergebnisse:
- Materialbestimmung mittels FTIR-Spektroskopie:
- Die Filterplatten bestehen aus Polypropylen (PP).
- Bestimmung des Füllstoffgehalts in GFK mittels Thermogravimetrischer Analyse (TGA):
- Der Masseverlust beträgt 72 Massen-%.
- Daraus ergibt sich ein Füllstoffgehalt von 28 Massen-%.
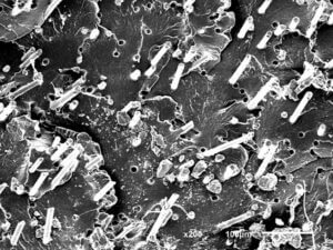
- Charakterisierung des Füllstoffs mittels REM-EDX:
- Der Füllstoff wurde als silikatische Kurzglasfasern identifiziert.
Schlussfolgerung:
Die untersuchten Membranfilterplatten bestehen aus Polypropylen mit einem Füllstoffanteil von 28 Massen-%. Der enthaltene Füllstoff sind silikatische Kurzglasfasern.










